熱門關鍵詞:
金屬棒既是金屬材質的棒子。金屬是一種具有光澤(即對可見光強烈反射)、富有延展性、容易導電、導熱等性質的物質。主要用于航天工業、航海工業、建筑,產品加工等行業。
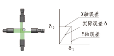
利用光電測頭的直徑和位置測量原理對棒材的直線度進行測量測量儀采用成90°交叉分布的2路光電測頭同時測量被測物的直徑和位置,利用2路測頭的位置數據計算測量點在坐標系中的實際偏差。測量直線度時,測量儀沿被測物軸向掃描一遍。。
設備主要用于金屬棒材、管材、陶瓷管材等產品的直徑和直線度檢測。

該測量系統根據位置1和位置3采集的X軸方向位置值擬合一條直線,位置2的測量值與該直線的偏差即為位置2在X軸方向的直線度誤差。同理可得到位置2在Y軸方向的直線度誤差。設X軸的直線度誤差為δ1、Y軸的直線度誤差為δ2,即可計算出棒材直線度的實際誤差δ

技術參數:
1)測量范圍(mm):φ0~φ40;
2)被測物直徑范圍:1-30mm;
3)測量精度(mm):外徑測量精度:±0.02mm; 橢圓度精度:±0.02mm;
直線度測量精度:±0.08mm/m;
3)測量頻率(Hz):500
5)電源電壓(V) :AC 220±15% ,50Hz
6)環境溫度(℃):測徑儀、工控機:-10~50℃
7)環境濕度 (%rh) : ≤ 80(不結露)
5.功能
1)可同時測量外圓直徑和直線度
2)系統可根據被測物的質量控制要求設定頭部誤差、尾部誤差、整體誤差、每米誤差等多種誤差的計算及顯示
3)顯示內容:
控制柜段電腦顯示:實時直徑測量值,橢圓度數值;
2-4m管材:兩端500mm內的直線度數據及整根直線度數據;
1-1.5m管材顯示整根直線度數據;
4)軟件功能
產品參數設置:可設置產品規格、棒材標稱直徑、直線度公差等參數;
報警設置:可設置報警的閾值,測量值超差時聲光報警;2-4m管材兩端500mm內直線度設置報警,整根鋼管直線度設置超差報警;外徑兩側超出200mm以外設置報警。
修正功能:誤差過大時,放入標準直棒后校準可恢復精度;
存儲功能:每根鋼材保留一個完整的測量記錄。
5)報警功能
測量數據超出標準值,聲光報警。
6)通信接口
TCP/IP協議,網線傳輸,測徑儀至工控機。
咨詢熱線
400-6171-355